YUY-L衛生級離心泵
技術參數:
|
規格 |
1T-500T,0.55KW-75KW |
|
材質 |
SUS304,SUS316L(在材料的選用上泵體,泵蓋,葉輪等凡與物料接觸之零件由SUS316L或SUS304不銹鋼制造) |
|
標準 |
DIN,SMS |
|
葉輪 |
敞開式葉輪,不留衛生死角 |
|
工作條件 |
衛生離心泵屬高低液位及水平輸送,非自吸型。(自吸型選用自吸泵) |
|
表面處理 |
接液部分拋光,其余亞光或噴砂處理 |
|
最大進口壓力 |
0.5MPa |
|
溫度范圍 |
-10℃至140℃(EPDM) |
|
可沖洗機械密封 |
水壓:最高0.1MPa |
電機:
1、根據配置主要采用“ABB”品牌的高效等級M2BAX三相交流電機,按照國際電工委員會IEC6OO34.IE60072 標準設計制作,符合歐共體CE標記要求
2、可供選用防爆電機,以滿足不同場合的需要。
3、優越的電氣性能、低噪音、低振動,電機的標準設計防護等級為IP55,絕緣等級為F級。
4、頻率:50Hz/60Hz
5、工作方式:連續(SI)
6、轉速:標準泵的轉速為2900r/min

泵進出口的接連方式
液體在管道中會有能量的損失,分為沿程損失和局部阻力損失,管內越光滑,沿程損失越小,彎道越少,管徑變化越小,局部阻力損失越小,因而盡量不要采用粗糙的管道連接,也不要在連接中用管道急變的方式連接。
錯誤的連接管道

正確的連接管道

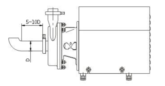
管道直徑及連接距離
泵在小流量運行時,效率很低,消耗的能量使液體溫度急劇上升,泵在小流量下運行,通過葉輪間隙回流增加,造成泵壓力脈動、振動、 噪音等危害增加,因而,連接的管道進口直徑最好不要小于設計進口直徑。為了保證泵運行的更加穩定、泵進口前需要連接一段直管,長度約為5- 10倍管道直徑
管道入口連接距離

YUY-L系列性能選型表

YUY 衛生級離心泵型號說明
示例



新聞
- 2018-01-15
- 2018-01-15
- 2019-09-19
- 2019-09-09
- 2019-08-26
- 2019-08-16





